emilspec
An Integrated Publishing, Inc. Site
eMilSpec
An Integrated Publishing Website
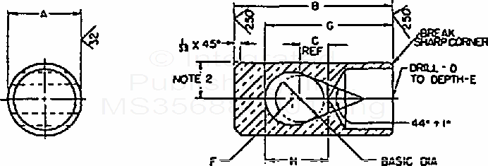
MS35688 V - Bearing (Spring, Loaded Throw Out Type)
For Parts Inquires submit RFQ to
Parts Hangar, Inc.
© Copyright 2015 Integrated Publishing, Inc.
A Service Disabled Veteran Owned Small Business